Содержимое: 20722222729403.rar (16.58 KB)
Загружен: 22.07.2012

Положительные отзывы: 0
Отрицательные отзывы: 0

Продано: 10
Возвраты: 1

278 ₽
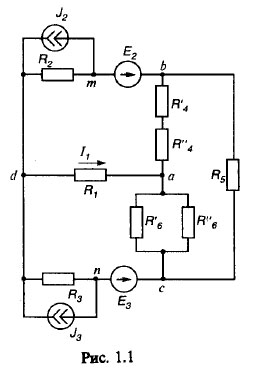
Расчётно-графическая работа №1 по ТОЭ "Расчет режима в сложной электрической цепи постоянного тока методами законов Кирхгофа, контурных токов, узловых потенциалов" по задачнику «Теоретические основы электротехники: Методические указания и контрольные задания для студентов технических специальностей вузов» / Л.А. Бессонов, И.Г. Демидова, М.Е. Заруди и др. – 3-е изд., испр. – М.: Высш. шк., 2003. с. 11-19, задача 1.1, вариант 62, рис. 1.1, табл. 1.1
Задача 1.1 Линейные электрические цепи постоянного тока
* * * * * * * * * * * * * * * * * * * * * * * * * * * * * * * * * * * * * * * * * * * * * * * * * * * *
Для электрической схемы, соответствующей номеру варианта и изображенной на рис. 1.1 – 1.20, выполнить следующее:
1. Упростить схему, заменив последовательно и параллельно соединенные резисторы четвертой и шестой ветвей эквивалентными. Дальнейший расчет (п. 2 – 10) вести для упрощенной схемы.
2. Составить на основании законов Кирхгофа систему уравнений для расчета токов во всех ветвях схемы.
3. Определить токи во всех ветвях схемы методом контурных токов.
4. Определить токи во всех ветвях схемы методом узловых потенциалов.
5. Результаты расчета токов, проведенного двумя методами (методом контурных токов и методом узловых потенциалов), свести в таблицу и сравнить между собой.
6. Составить баланс мощностей в исходной схеме (схеме с источником тока), вычислив суммарную мощность источников и суммарную мощность нагрузок (сопротивлений).
7. Определить ток I1 в заданной по условию схеме с источником тока, используя метод эквивалентного генератора (в данном варианте не выполнено).
8. Начертить потенциальную диаграмму для любого замкнутого контура, включающего обе ЭДС.
* * * * * * * * * * * * * * * * * * * * * * * * * * * * * * * * * * * * * * * * * * * * * * * * * * * *
Решение выполнено в программе MathCad. Для того что бы распечатать решение задачи вам необходимо скачать и установить у себя на компьютере MathCad для открытия решения пригодна любая его версия. Можете воспользоваться MathCad Portable скачав его на странице: http://freewriters.narod.ru/toe_rgr_po_bessonovu/
Внимательно сверьте исходные данные. Если цифры (величины сопротивлений, ЭДС) отличны от ваших – вводите свои данные, решение в MathCad автоматически изменяется (пересчитывается) при изменении исходных данных.
Отзывов от покупателей не поступало