Содержимое: текст (60 символов)
Загружен: 24.07.2012

Положительные отзывы: 0
Отрицательные отзывы: 0

Продано: 2
Возвраты: 1

150 ₽
Предлагаю полное руководство по ремонту и эксплуатации экскаватора Hyundai R140LC-7 service manual.

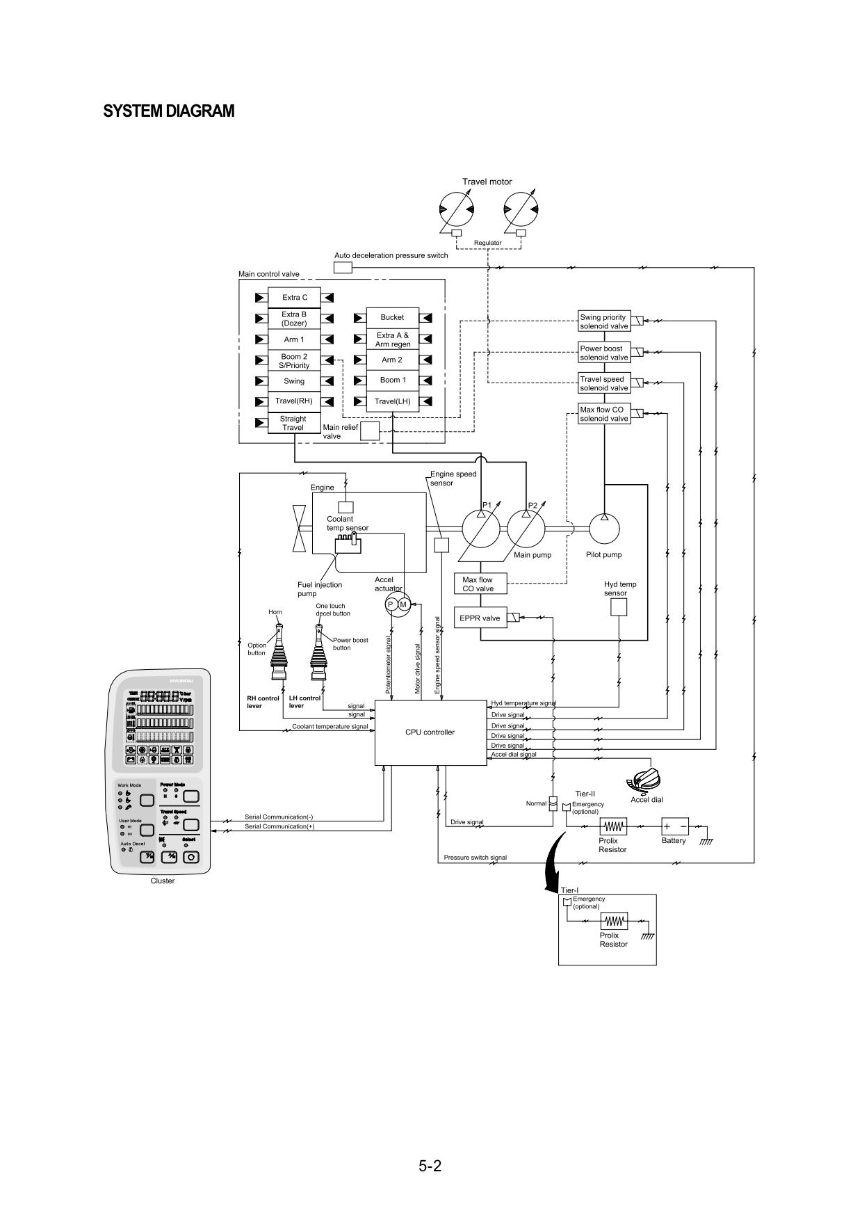
В руководстве рассмотрено устройство экскаватора, приведены полные гидравлические, электрические схемы, описание систем и методов диагностики неисправностей, описание (с фотографиями) разбора механических частей.
Качество - изначально электронное, оригинальные мануалы на английском языке!
Всего 56 файлов в формате pdf размером по 3-20 страниц, и файл оглавления в формате html.
Продаю ссылку с прямым доступом к архиву с документацией на данную модель.

Обращаю внимание на то, что название техники формируется следующим образом: первая буква , например R - вид техники, R - экскаватор, далее число - грузоподъёмность, последняя буква - колёсная ТУТ самое важное, например R130W-3 это 1.3 тонны, но есть ещё другое написание - 1300W-3, и это одно и то же, я проверял на примере нескольких экскаваторов.

Содержание руководства:
CRAWLER EXCAVATOR R140LC-7
FOREWORD

SECTION 1
GENERAL
Group 1Safety Hints
Group 2Specifications
SECTION 2
STRUCTURE
Group 1Pump Device
Group 2Main Control Valve
Group 3Swing Device
Group 4Travel Device
Group 5RCV Lever
Group 6RCV Pedal
SECTION 3
HYDRAULIC SYSTEM
Group 1Hydraulic Circuit
Group 2Main Circuit
Group 3Pilot Circuit
Group 4Single Operation
Group 5Combined Operation
SECTION 4
ELECTRICAL SYSTEM
Group 1Component Location
Group 2Electrical Circuit
Group 3Electrical Component Specification
Group 4Connectors
SECTION 5
MECHATROMICS SYSTEM
Group 1Outline
Group 2Mode selection System
Group 3Automatic Deceleration System
Group 4Power Boost System
Group 5Travel Speed Control System
Group 6Automatic Warming Up Function
Group 7Engine Overheat Prevention Function
Group 8Anti-Restart System
Group 9Self-Diagnostic System
Group 10Engine Control System
Group 11EPPR(Electro Proportional Pressure Reducing) Valve
Group 12Prolix Switch
Group 13Monitoring System
SECTION 6
TROUBLESHOOTING
Group 1Before troubleshooting
Group 2Hydraulic and Mechanical System
Group 3Electrical System
Group 4Mechatronics System
SECTION 7
MAINTENANCE STANDARD
Group 1Operational Performance Test
Group 2Major Components
Group 3Track and Work Equipment
SECTION 8
DISASSEMBLY AND ASSEMBLY
Group 1Precaution
Group 2Tightening Torque
Group 3Pump Device
Group 4Main Control Valve
Group 5Swing Device
Group 6Travel Device
Group 7RCV Lever
Group 8Turning Joint
Group 9Boom, Arm and Bucket Cylinder
Group 10Undercarriage
Group 11Work Equipment
SECTION 9
COMPONENT MOUNTING TORQUE
Group 1Introduction guide
Group 2Engine system
Group 3Electric system
Group 4Hydraulic system
Group 5Undercarriage
Group 6Structure
Group 7Work equipment
Отзывов от покупателей не поступало