Содержимое: 21109161003883.rar (15.51 KB)
Загружен: 09.11.2012

Положительные отзывы: 0
Отрицательные отзывы: 0

Продано: 5
Возвраты: 0

~ 278 ₽
Точная сумма — на странице оплаты
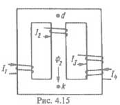
Расчётно-графическая работа по ТОЭ "Нелинейные магнитные и электрические цепи" по задачнику «Теоретические основы электротехники: Методические указания и контрольные задания для студентов технических специальностей вузов» / Л.А. Бессонов, И.Г. Демидова, М.Е. Заруди и др. – 3-е изд., испр. – М.: Высш. шк., 2003. с. 79, задача 4.1, вариант 17, рис. 4.15, табл. 4.1 Обратите внимание!!! П.2. Этой задачи в этом варианте не выполнен!

Задача 4.1 Нелинейные магнитные электрические цепи
* * * * * * * * * * * * * * * * * * * * * * * * * * * * * * * * * * * * * * * * * * * * * * * * * * * *
По данным, помещенным в табл. 4.1, выполнить следующее:
1. Рассчитать магнитную цепь методом двух узлов и определить величины, указанные в крайнем справа столбце этой таблицы.
2. Для принятых в п.1 положительных направлений магнитных потоков и заданного направления МДС составить систему уравнений по законам Кирхгофа. (Обратите внимание!!! В решении данного варианта этот пункт не выполнен!!!)
Схематические изображения магнитопроводов с размещением намагничивающих катушек, способа их намотки на сердечник и положительных направлений токов в них приведены на рис. 4.1 – 4.20.
* * * * * * * * * * * * * * * * * * * * * * * * * * * * * * * * * * * * * * * * * * * * * * * * * * * *
Решение выполнено в программе MathCad. Для того что бы распечатать решение задачи вам необходимо скачать и установить у себя на компьютере MathCad для открытия решения пригодна любая его версия. Можете воспользоваться MathCad Portable
Внимательно сверьте исходные данные. Если цифры (величины сопротивлений, ЭДС) отличны от ваших – вводите свои данные, решение в MathCad автоматически изменяется (пересчитывается) при изменении исходных данных.
Отзывов от покупателей не поступало