Содержимое: _74_4.8.rar (14.92 KB)
Загружен: 02.12.2012

Положительные отзывы: 0
Отрицательные отзывы: 0

Продано: 2
Возвраты: 0

278 ₽
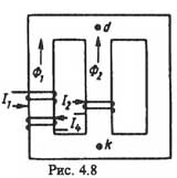
Расчётно-графическая работа по ТОЭ "Нелинейные магнитные и электрические цепи" по задачнику «Теоретические основы электротехники: Методические указания и контрольные задания для студентов технических специальностей вузов» / Л.А. Бессонов, И.Г. Демидова, М.Е. Заруди и др. – 3-е изд., испр. – М.: Высш. шк., 2003. с. 79, задача 4.1, вариант 74, рис. 4.8, табл. 4.1 Обратите внимание!!! П.2. Этой задачи в этом варианте не выполнен!
Задача 4.1 Нелинейные магнитные электрические цепи
* * * * * * * * * * * * * * * * * * * * * * * * * * * * * * * * * * * * * * * * * * * * * * * * * * * *
По данным, помещенным в табл. 4.1, выполнить следующее:
1. Рассчитать магнитную цепь методом двух узлов и определить величины, указанные в крайнем справа столбце этой таблицы.
2. Для принятых в п.1 положительных направлений магнитных потоков и заданного направления МДС составить систему уравнений по законам Кирхгофа.
Схематические изображения магнитопроводов с размещением намагничивающих катушек, способа их намотки на сердечник и положительных направлений токов в них приведены на рис. 4.1 – 4.20.
* * * * * * * * * * * * * * * * * * * * * * * * * * * * * * * * * * * * * * * * * * * * * * * * * * * *
Решение выполнено в программе MathCad. Для открытия решения пригодна любая его версия.
Внимательно сверьте исходные данные. Если цифры (величины сопротивлений, ЭДС) отличны от ваших – вводите свои данные, решение в MathCad автоматически изменяется (пересчитывается) при изменении исходных данных.
Отзывов от покупателей не поступало