Содержимое: c1-41.zip (17.92 KB)
Загружен: 24.05.2013

Положительные отзывы: 0
Отрицательные отзывы: 0

Продано: 6
Возвраты: 0

Продавец: TerMaster
информация о продавце и его товарах

Задать вопрос

Cкидка постоянным покупателям! Если общая сумма ваших покупок у продавца больше чем:

$1 скидка 1%
$3 скидка 2%
$5 скидка 3%
$15 скидка 5%
$30 скидка 7%
$50 скидка 10%
$250 скидка 15%
~ 65.2 ₽
Точная сумма — на странице оплаты
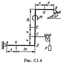
После оплаты Вы получите архив с решением задачи С1 Вариант 41 (рисунок 4 условие 1) из методички Тарга С.М. 1989 года для заочников. Задача выполнена в формате word, запакована в архив zip.
Методические указания и контрольные задания для студентов-заочников машиностроительных, строительных, транспортных, приборостроительных специальностей высших учебных заведений / Под ред. проф. С.М.Тарга, - М.: Высшая школа, 1989 г. Издание четвертое.
Отзывов от покупателей не поступало