Содержимое: d12-35.zip (32.69 KB)
Загружен: 10.07.2013

Положительные отзывы: 1
Отрицательные отзывы: 0

Продано: 1
Возвраты: 0

Продавец: TerMaster
информация о продавце и его товарах

Задать вопрос

Cкидка постоянным покупателям! Если общая сумма ваших покупок у продавца больше чем:

$1 скидка 1%
$3 скидка 2%
$5 скидка 3%
$15 скидка 5%
$30 скидка 7%
$50 скидка 10%
$250 скидка 15%
~ 65.52 ₽
Точная сумма — на странице оплаты
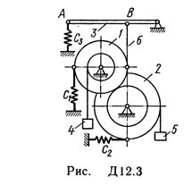
Готовое решение задачи Д12 Вариант 35 по теоретической механике из Тарга С.М. 1989 г.. Условие к задаче Динамика 12 (стр. 101 в методичке Тарга): Механизм, расположенный в вертикальной плоскости (рис. Д12.0 — Д12.9), состоит из ступенчатых колес 1 и 2 с радиусами R1 = 0,4 м, r1 = 0,2 м, R2 = 0,5 м, r2 = 0,3 м, имеющих неподвижные оси вращения; однородного стержня 3 длиной l =1,2 м, закрепленного шарниром на одном из концов; грузов 4 и 5, подвешенных к нитям, намотанным на колеса. На стержне расстояние АВ = 2l/3. Стержень 3 соединен с колесом 2 невесомым стержнем 6. Колеса 1 и 2 или находятся в зацеплении (рис. 0—4), или соединены невесомым стержнем 7 (рис. 5—9). К колесам и стержню 3 прикреплены пружины. В табл. Д12 заданы массы mi тел (кг) и коэффициенты жесткости ci пружин (Н/м). Прочерки в столбцах таблицы означают, что соответствующие тела или пружины в систему не входят (на чертеже эти тела и пружины не изображать); в результате в каждом конкретном варианте получается довольно простой механизм, содержащий три или даже два тела. Стержень 6 или 7 входит в состав механизма, когда в него входят оба тела, соединенные этим стержнем. В положениях, изображенных на рисунках, механизм находится в равновесии. Определить частоту и период малых колебаний системы около положения равновесия. Найти также, чему равно статическое удлинение (сжатие) пружины λст в положении равновесия. При подсчетах считать колеса 1 и 2 сплошными однородными цилиндрами радиусов R1 и R2 соответственно. Рассмотрим два примера решения этой задачи.
После оплаты Вы получите решение задачи Д12 Вариант 35 (рисунок 3 условие 5) по термеху из уникального решебника Тарга С.М. 1989 года для студентов-заочников машиностроительных, транспортных, строительных, приборостроительных специальностей высших учебных заведений. Решение оформлено в формате word, запаковано в архив zip.

Буду очень признателен, если после успешной сдачи работы Вы вернетесь на сайт и оставите положительный отзыв. Поверьте, для меня это очень Важно.
Заранее спасибо.
11.04.2019 0:54:58
Отлично решено. Спасибо.