После оплаты Вы получите решение задачи С1 В93 (рисунок 9 условие 3) по термеху из решебника Тарга С.М. 1988 года для студентов-заочников. Решение выполнено по методическим указаниям и контрольным заданиям для заочников энергетических, горных, металлургических, электроприборостроения и автоматизации, технологических специальностей, а также геологических, электротехнических, электронной техники и автоматики, химико-технологических и инженерно-экономических специальностей ВУЗов. Решение оформлено в формате word, запаковано в архив zip.
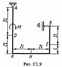
Решение задачи С1 Вариант 93 по теоретической механике из Тарга С.М. 1988 г.. Условие к задаче из раздела Статика 1 (стр. 12 в методичке Тарга): Жесткая рама, расположенная в вертикальной плоскости (рис. С1.0 — С1.9, табл. С1), закреплена в точке А шарнирно, а в точке В прикреплена или к невесомому стержню ВВ1, или к шарнирной опоре на катках; стержень прикреплен к раме и к неподвижной опоре шарнирами. На раму действуют пара сил с моментом М = 100 кН*м и две силы, значения, направления и точки приложения которых указаны в таблице (например, в условиях № 1 на раму действует сила F1 = 10 Н под углом 30° к горизонтальной оси, приложенная в точке K и сила F4 = 40 Н под углом 60° к горизонтальной оси, приложенная в точке H, и т. д.). Определить реакции связей в точках A, В, вызываемые заданными нагрузками. При окончательных расчетах принять l = 0,5 м.
Буду очень признателен, если после успешной сдачи работы Вы вернетесь на сайт и оставите положительный отзыв. Поверьте, для меня это очень Важно.
Заранее спасибо.
Отзывов от покупателей не поступало