Содержимое: s1-76.doc.RAR (18.84 KB)
Загружен: 21.03.2016

Положительные отзывы: 0
Отрицательные отзывы: 0

Продано: 0
Возвраты: 0

Продавец: Михаил_Перович
информация о продавце и его товарах

Задать вопрос

Cкидка постоянным покупателям! Если общая сумма ваших покупок у продавца больше чем:

$1 скидка 1%
$5 скидка 2%
$10 скидка 3%
$20 скидка 5%
$50 скидка 7%
$100 скидка 10%
$200 скидка 15%
~ 56 ₽
Точная сумма — на странице оплаты
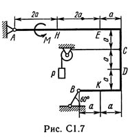
Решение С1-76 (Рисунок С1.7 условие 6 С.М. Тарг 1989 г)

Жесткая рама, расположенная в вертикальной плоскости (рис. С1.0 — С1.9, табл. С1), закреплена в точке А шарнирно, а в точке В прикреплена или к невесомому стержню с шарнирами на концах, или к шарнирной опоре на катках. В точке С к раме привязан трос, перекинутый через блок и несущий на конце груз весом Р = 25 кН. На раму действуют пара сил с моментом М = 100 кН·м и две силы, значения, направления и точки приложения которых указаны в таблице (например, в условиях № 1 на раму действует сила F2 под углом 15° к горизонтальной оси, приложенная в точке D и сила F3 под углом 60° к горизонтальной оси, приложенная в точке E, и т. д.). Определить реакции связей в точках A, В, вызываемые действующими нагрузками. При окончательных расчетах принять а = 0,5 м.
Отзывов от покупателей не поступало