Содержимое: Схема электроснабжения печи камерной ПКМ 8.12.5 (версия 5.11).cdw (305.16 KB)
Загружен: 11.03.2021

Положительные отзывы: 0
Отрицательные отзывы: 0

Продано: 0
Возвраты: 0

~ 100 ₽
Точная сумма — на странице оплаты
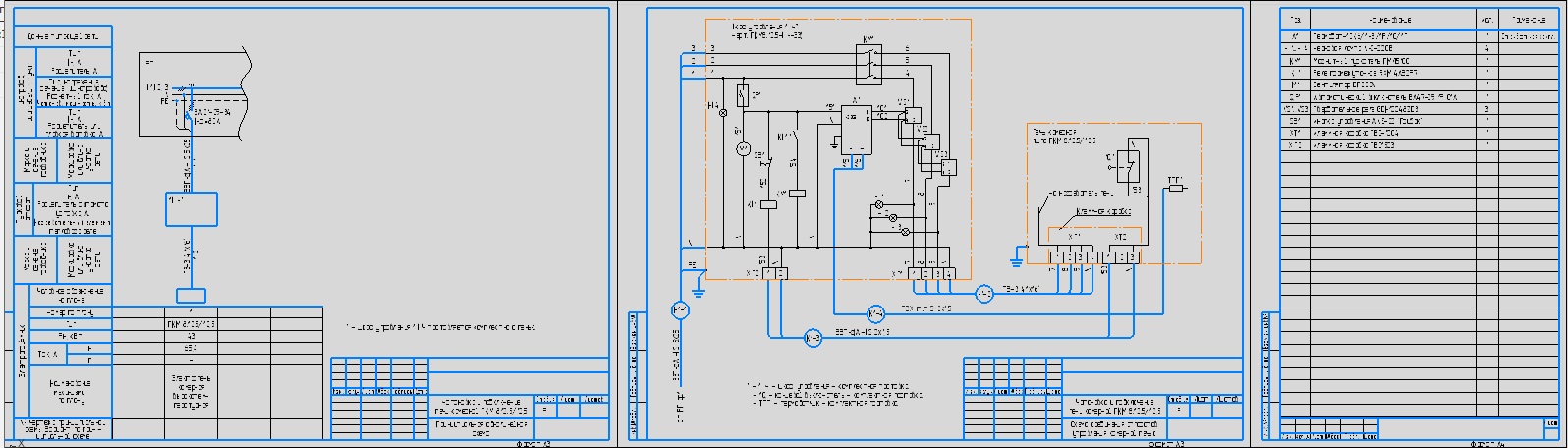
Схема электроснабжения и соединение внешних кабелей камерной печи типа ПКМ 8.12.5. Шкаф управления 1ШУ (тип ПКМ8.12.5-ШУ-Э3) поставляется комплектно. На чертеже указаны электрические аппараты, входящие в комплект шкафа управления.


В формате cdw (Компас, версия 5.11). Для курсового проектирования. Кроме того, дополнительно вложены фото (JPG-формат) видов печи, для понимания механизма.
Отзывов от покупателей не поступало