Содержимое: Проектирование ректификационной колонны для смеси вода - уксусная кислота.zip (1.64 MB)
Загружен: 09.01.2025

Положительные отзывы: 0
Отрицательные отзывы: 0

Продано: 0
Возвраты: 0

Продавец: NikMin
информация о продавце и его товарах

Задать вопрос

Cкидка постоянным покупателям! Если общая сумма ваших покупок у продавца больше чем:

$15 скидка 7%
~ 1123 ₽
Точная сумма — на странице оплаты
Курсовой проект по дисциплине "Проектирование процессов и аппаратов химической технологии"
Тема: "Проектирование ректификационной установки для смеси вода - уксусная кислота"

Исходные данные:
Смесь для разделения: уксусная кислота - вода
1. Производительность установки по исходной смеси 5 т/час
2. Температура исходной смеси 25 град.
3. Содержание легколетучего компонента:
в исходной смеси 40% масс.
в ректификате 97% масс.
в кубовой жидкости 0,5% масс.
4. Давление в колонне 760 мм рт.ст.
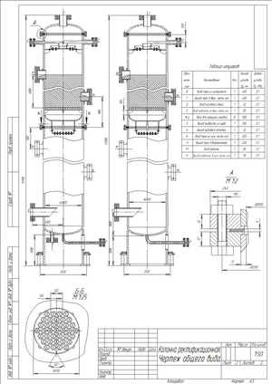
5. Тип колонны - насадочная
6. Тип контактных элементов - выбрать
7. Давление насыщенного водяного пара, подаваемого в кипятильник - выбрать
8. Конденсация паров в дефлегматоре - полная

Содержание ПЗ:
1. Титульный лист
2. Бланк задания на проектирование
3. Оглавление
4. Введение
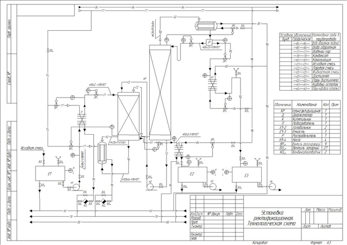
5. Материальный баланс установки
6. Расчёт рабочего флегмового числа
7. Расчёт основных размеров колонны (диаметра и высоты)
8. Подбор и расчёт теплообменников
9. Расчёт толщины термоизоляции одного из аппаратов
10. Расчёт и подбор трубопроводов
11. Расчёт и подбор насоса исходной смеси
12. Подбор ёмкостей
13. Список использованной литературы
Содержание архива:
- Расчетно-пояснительная записка (MS Word)
- Колонна ректификационная. Чертеж общего вида (КОМПАС-3D)
- Установка ректификационная. Технологическая схема (КОМПАС-3D)
Отзывов от покупателей не поступало

Похожие товары