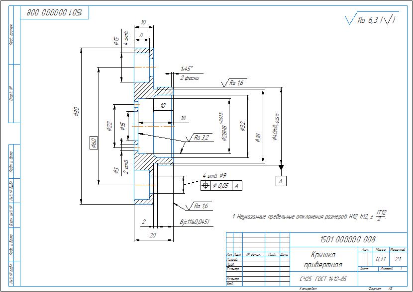
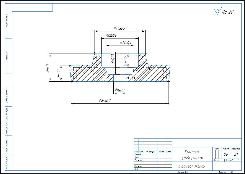
Технологический процесс изготовления детали крышка привертная подшипника в виде технологических карт: маршрутные карты, операционные карты, карты эскизов. Также приложены рабочий чертеж детали крышка привертная и чертеж заготовки. Карты выполнены в ворде, чертежи в компасе.
Отзывов от покупателей не поступало
Мы используем куки для улучшения работы сайта. Подробнее