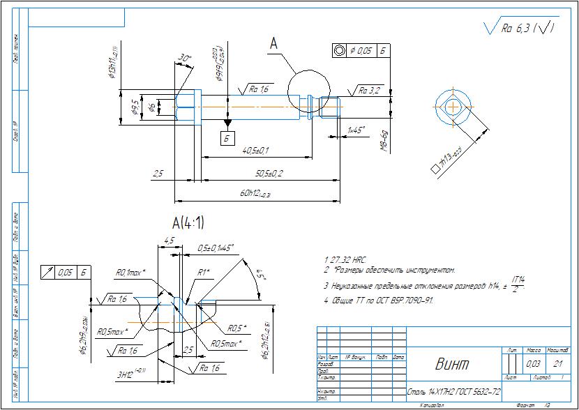
Технологический процесс изготовления детали винт в виде технологических карт: маршрутные карты, операционные карты, карты эскизов. Также приложен рабочий чертеж детали винт. Карты выполнены в ворде, чертеж в компасе.
Отзывов от покупателей не поступало
Мы используем куки для улучшения работы сайта. Подробнее