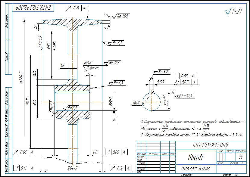
Сборочный чертеж, спецификация, чертежи деталей вал, вал-шестерня, шкив плоскоременный, колесо зубчатое для редуктора шевронного цилиндрического в компасе. Параметры редуктора: модуль зацепления 1,5 мм, передаточное отношение 2,8, межосевое расстояние 125 мм.
Отзывов от покупателей не поступало
Мы используем куки для улучшения работы сайта. Подробнее