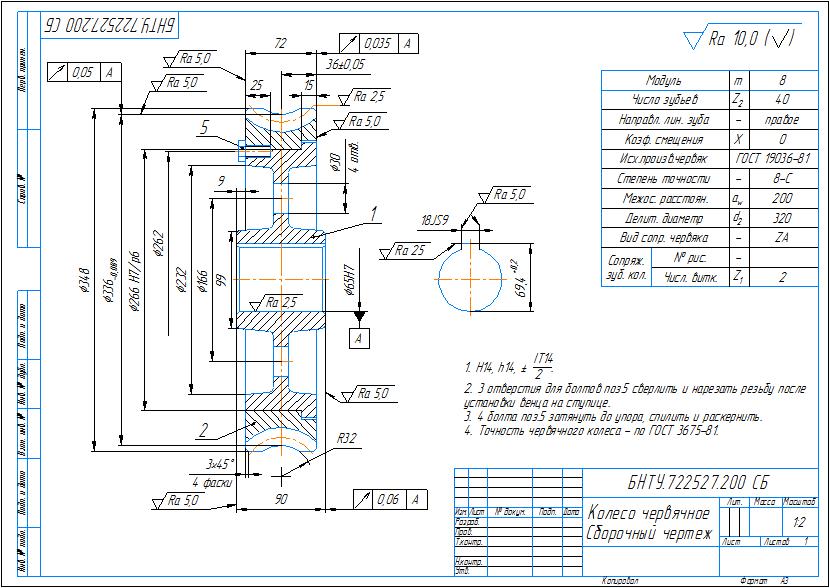
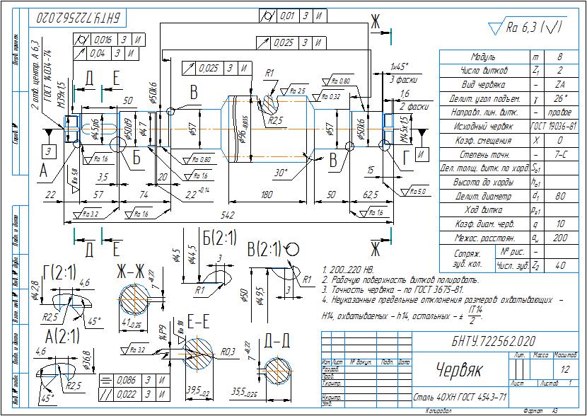
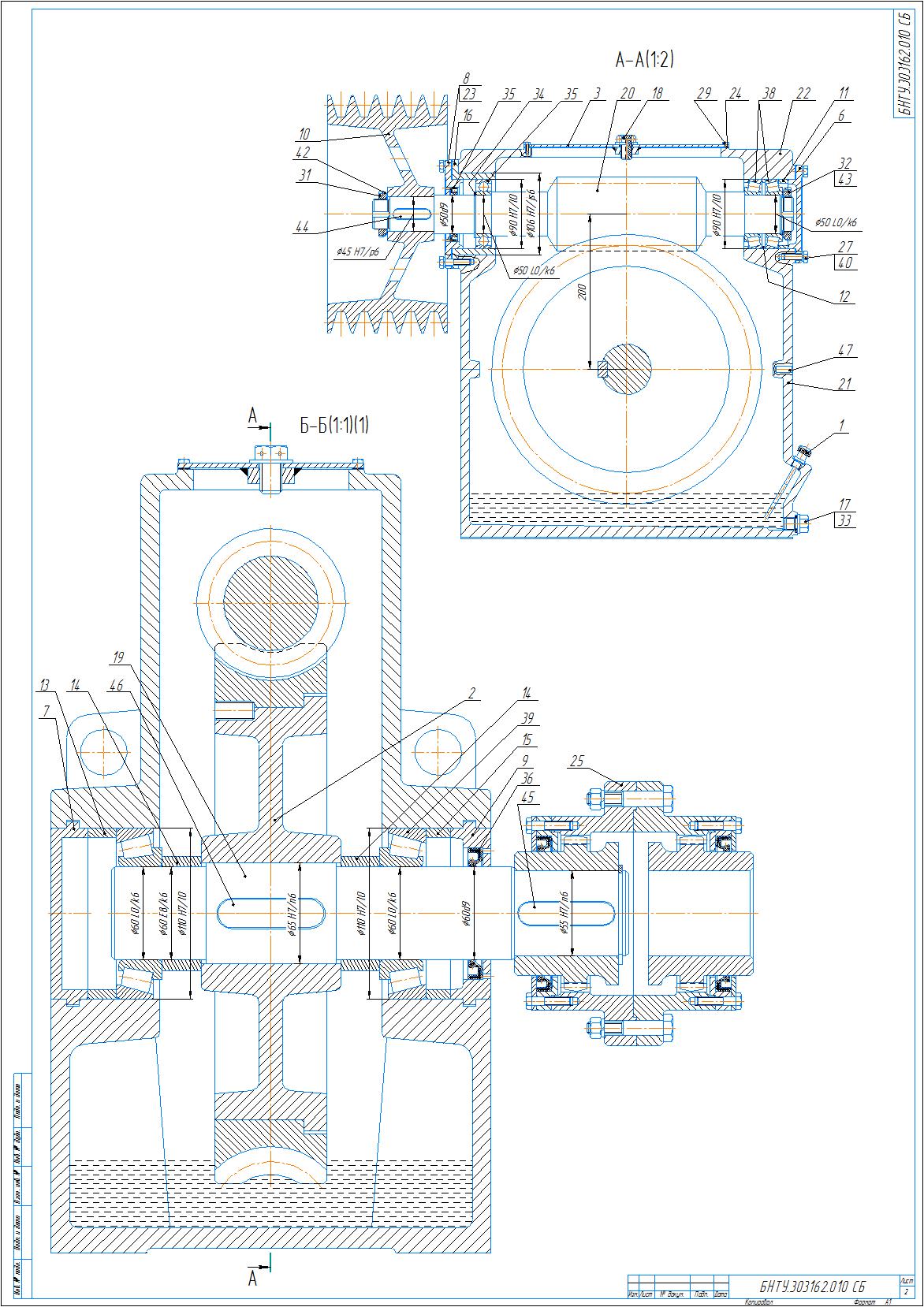
Сборочный чертеж и спецификация червячного редуктора с верхним расположением червяка. Параметры редуктора: межосевое расстояние 200 мм, передаточное отношение 20. Также выполнены чертежи червячного колеса, червяка, шкива поликлиновой передачи, вала тихоходного. Чертежи выполнены в компасе.
Отзывов от покупателей не поступало
Мы используем куки для улучшения работы сайта. Подробнее