Содержимое: 011006-0101-0002-v.zip (165.48 KB)
Загружен: 01.03.2008

Положительные отзывы: 0
Отрицательные отзывы: 0

Продано: 1
Возвраты: 0

~ 107 ₽
Точная сумма — на странице оплаты
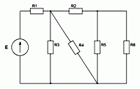
Для электрической цепи определить:
1. Токи в ветвях методом преобразований (схему упрощают путем замены участков с параллельным или последовательным соединением эквивалентными элементами).
2. Мощность, развиваемую источником энергии и мощность потребителей. Проверить баланс мощности.
3. Составить уравнения по первому закону Кирхгофа для узлов схемы. Составить уравнение по второму закону Кирхгофа для любого замкнутого контура, включающего ЭДС Е (решать систему уравнений не следует).
Дано: E = 60 B; R1 = 6 Oм; R2 = 11 Ом; R3 = 7 Ом; R4 = 12 Ом; R5 = 8 Ом; R6 = 13 Ом.


Расчет разветвленной линейной электрической цепи постоянного тока с одним источником электрической энергии методом свертки (эквивалентных преобразований). Проверка баланса мощности. Уравнения по законам Кирхгофа.
Внимание!
Одновременно с приобретением решения этой задачи Вы приобретаете право на бесплатную консультацию по решению данной задачи непосредственно у автора.
С качеством оформления решений от ElektroHelp Вы можете познакомиться на сайтах http://elektrohelp.my1.ru или http://elektrohelp.boom.ru .

Отзывов от покупателей не поступало