Содержимое: 02100111-0300-0003-v.zip (77.80 KB)
Загружен: 09.03.2008

Положительные отзывы: 0
Отрицательные отзывы: 0

Продано: 1
Возвраты: 0

~ 93.07 ₽
Точная сумма — на странице оплаты
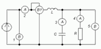
В электрическую цепь, состоящую из источника гармонической ЭДС, катушки индуктивности L, конденсатора С и резистора R, включены измерительные приборы – вольтметры и амперметры переменного тока, а также ваттметр, измеряющий активную мощность, расходуемую в цепи. Схема цепи приведена на рис. Сопротивление резистора: 50 Ом. На частоте источника численные значения реактивных сопротивлений других элементов таковы: сопротивление емкости 43,3 Ом, сопротивление индуктивности 86,5 Ом. Известно показание ваттметра: 150 Вт. Определите показания других приборов.
Расчет цепи переменного тока со смешанным соединением L, C, R. Решение с использованием векторной диаграммы.
Внимание!
Одновременно с приобретением решения этой задачи Вы приобретаете право на бесплатную консультацию по решению данной задачи непосредственно у автора.
С качеством оформления решений от ElektroHelp Вы можете познакомиться на сайтах http://elektrohelp.my1.ru или http://elektrohelp.boom.ru
Отзывов от покупателей не поступало