Чертеж "Одношнековый экструдер ЧП-90х30"
Технические характеристики
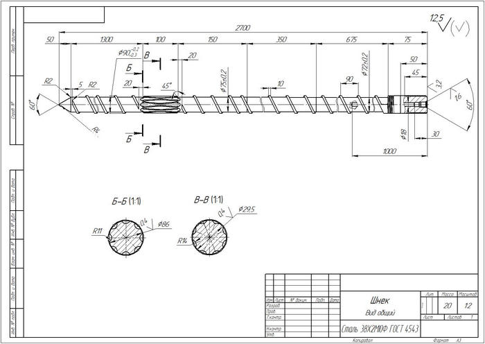
1. Номинальный диаметр червяка, мм: 90;
2. Отношение L/D: 30;
3. Частота вращения червяка, об/мин: 94;
4. Перерабатываемый материал: полиэтилен низкого давления;
5. Производительность, кг/час: 150;
6. Электродвигатель: 2ПФ МГУЧ
- Напряжение, В: 440;
- Мощность, кВт: 37,
- Количество оборотов, об/мин: 1500;
7. Мощность нагревателей, кВт: 116,4;
8. Габаритные размеры, мм (д х ш х в): 3700 х 2880 х 1800
Содержание архива:
- Экструдер ЧП-90х30. Сборочный чертеж (КОМПАС-3D)
- Экструдер ЧП-90х30 Кинематическая схема (КОМПАС-3D)
- Шнек. Вид общий (КОМПАС-3D)
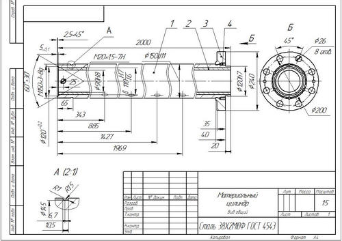
- Материальный цилиндр. Вид общий (КОМПАС-3D)
- Спецификация. Экструдер ЧП-90х30 (КОМПАС-3D)
- Спецификация. Материальный цилиндр (КОМПАС-3D)
Отзывов от покупателей не поступало