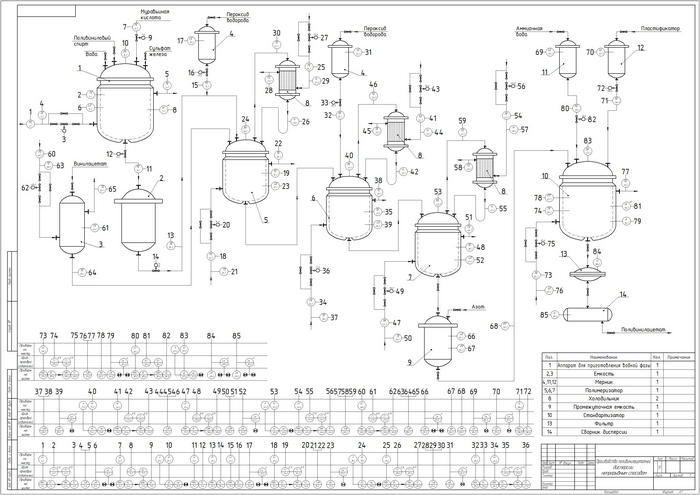
Содержимое: Производство поливинилацетатной дисперсии непрерывным способом.zip (124.04 KB)
Загружен: 16.01.2025
Положительные отзывы: 0
Отрицательные отзывы: 0
Продано: 0
Возвраты: 0
Продавец: NikMin
информация о продавце и его товарах
Cкидка постоянным покупателям! Если общая сумма ваших покупок у продавца больше чем:
| $15 | скидка | 7% |