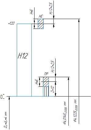
Сборочный чертеж со спецификацией на калибр-пробку гладкую для контроля отверстия диаметром 4 мм и полем допуска H12. Также приложена схема расположения допусков.
Отзывов от покупателей не поступало
Мы используем куки для улучшения работы сайта. Подробнее