Содержимое: калибр-скоба_9e8.zip (52.71 KB)
Загружен: 26.06.2025

Положительные отзывы: 0
Отрицательные отзывы: 0

Продано: 0
Возвраты: 0

127 ₽
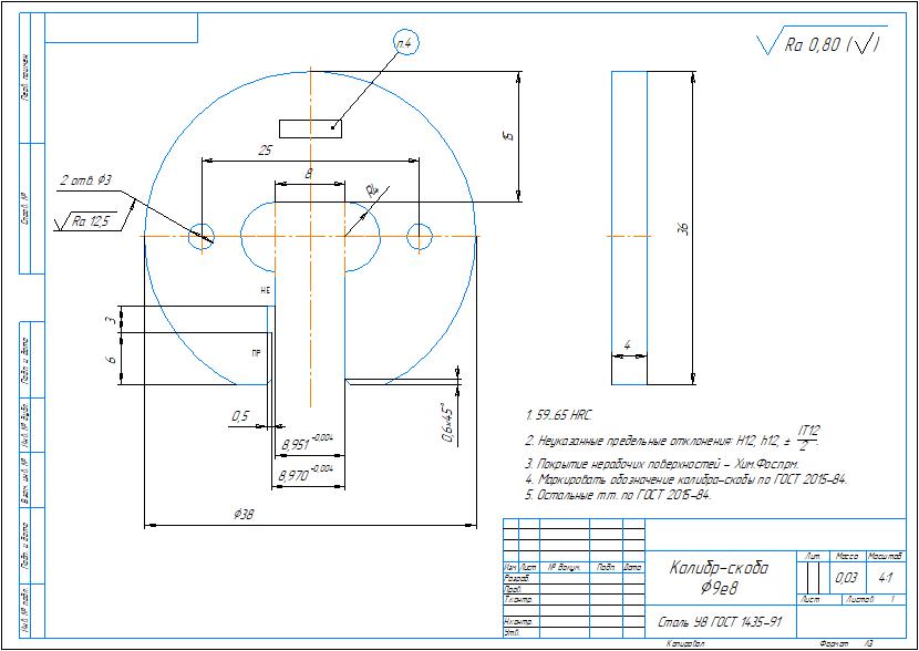
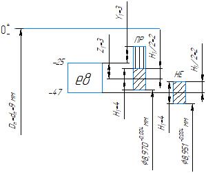
Рабочий чертеж калибра-скобы для контроля вала диаметром 9 мм и полем допуска e8 (9e8). Также приложена схема расположения допусков. Чертеж выполнен в компасе.
Отзывов от покупателей не поступало