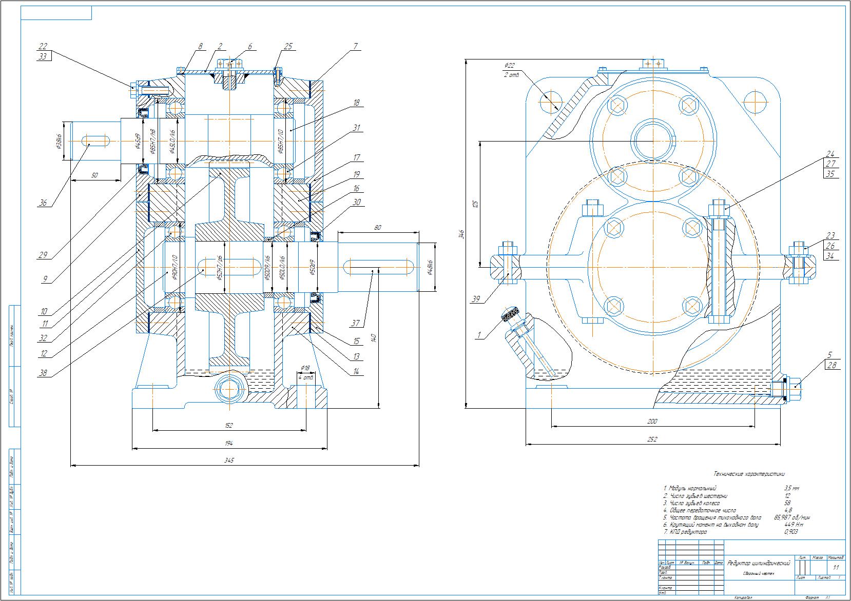
Сборочный чертеж и спецификация редуктора цилиндрического вертикального, модуль m=3,5 мм, межосевое расстояние 125 мм, передаточное число u=4,8. Чертеж и спецификация выполнены в компасе.
Отзывов от покупателей не поступало
Мы используем куки для улучшения работы сайта. Подробнее