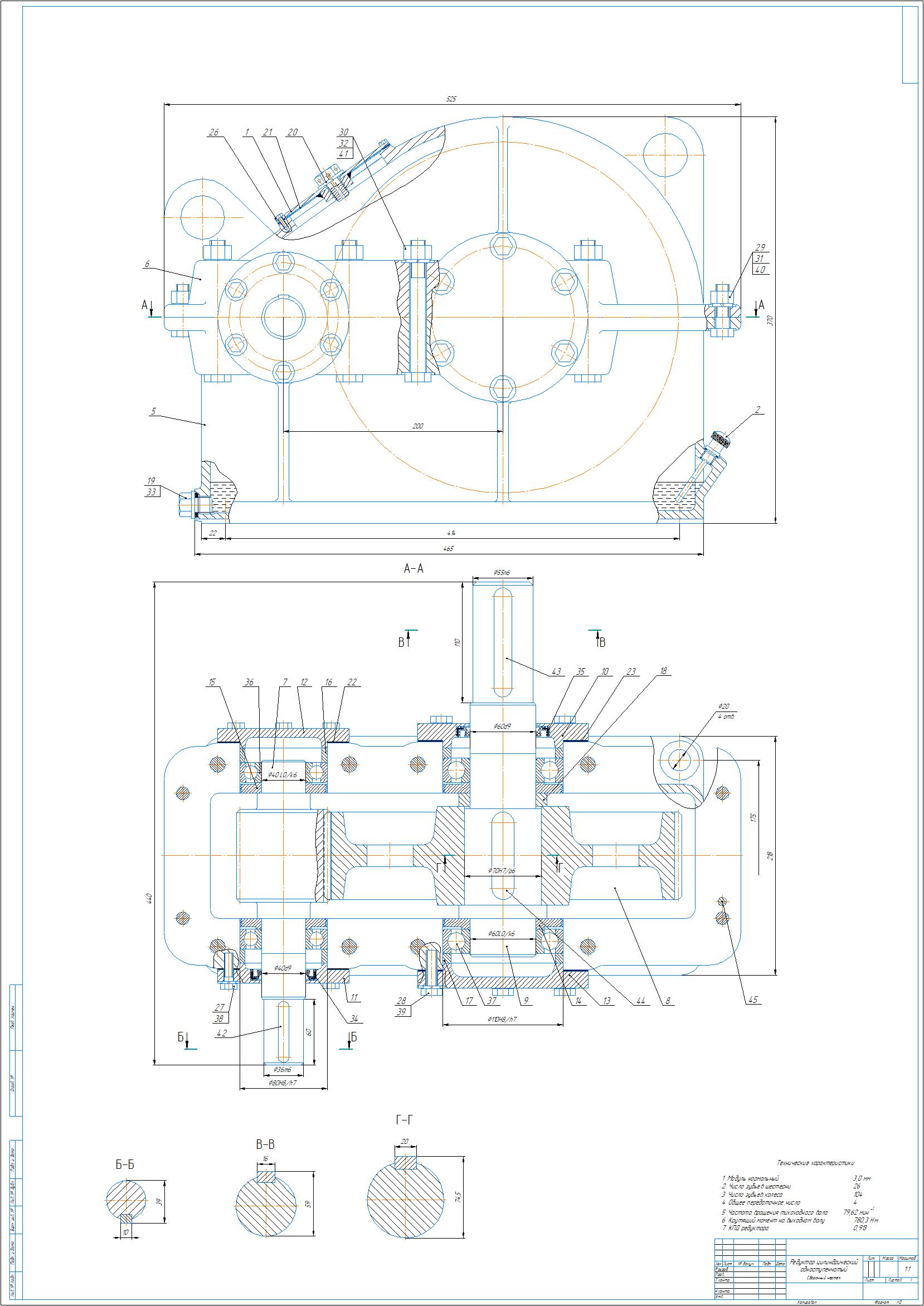
Сборочный чертеж и спецификация редуктора цилиндрического одноступенчатого с параметрами: модуль m=3 мм, межосевое расстояние a=200 мм, передаточное отношение u=4. Чертеж и спецификация выполнены в компасе.
Отзывов от покупателей не поступало
Мы используем куки для улучшения работы сайта. Подробнее