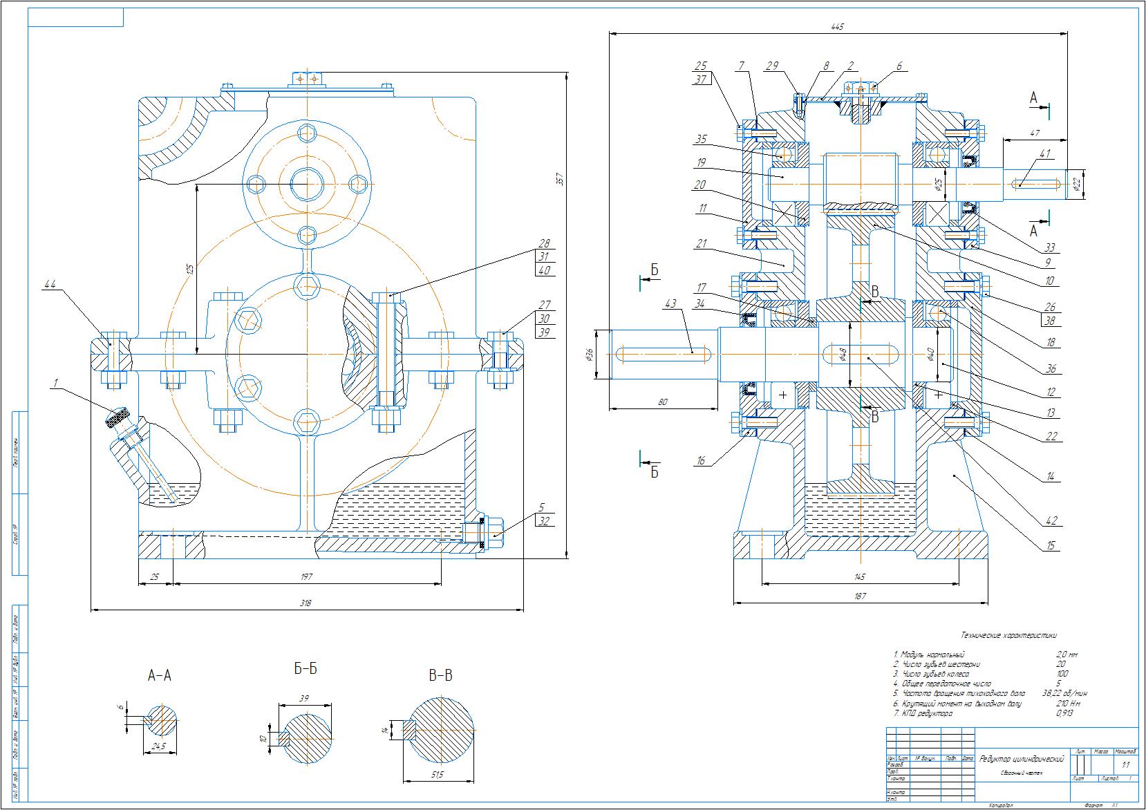
Сборочный чертеж и спецификация редуктора цилиндрического одноступенчатого вертикального с параметрами: модуль m=2 мм, межосевое расстояние a=125 мм, передаточное отношение u=5. Чертеж и спецификация выполнены в компасе.
Отзывов от покупателей не поступало
Мы используем куки для улучшения работы сайта. Подробнее