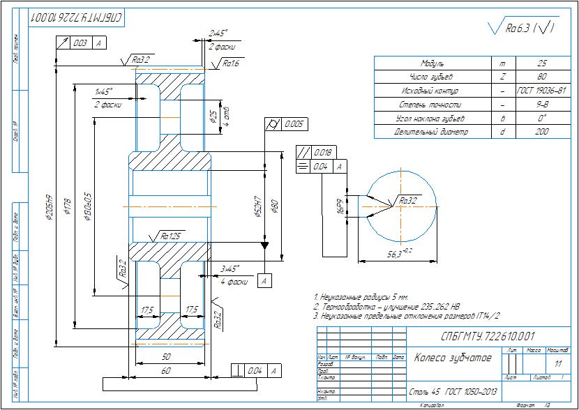
Сборочный чертеж и спецификация редуктора цилиндрического одноступенчатого с параметрами: межосевое расстояние: a=125, модуль m=2,5 мм, передаточное отношение u=4. Также приложен рабочий чертеж детали колесо зубчатое. Чертежи и спецификация выполнены в компасе
Отзывов от покупателей не поступало
Мы используем куки для улучшения работы сайта. Подробнее