Содержимое: расчет_калибра-пробки_18H7.zip (115.89 KB)
Загружен: 13.08.2025

Положительные отзывы: 0
Отрицательные отзывы: 0

Продано: 0
Возвраты: 0

~ 99 ₽
Точная сумма — на странице оплаты
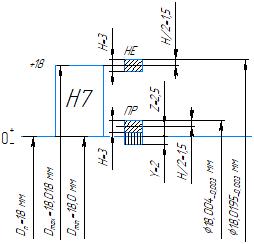
Расчет калибра-пробки 18H7 в Word. Также представлена схема расположения полей допусков
Отзывов от покупателей не поступало