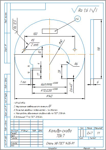
Чертеж калибра-скобы гладкой для контроля размера вала 70k6. Чертеж выполнен в программе Компас 3D. Также приложен расчет калибра-скобы в Word и схема расположения полей допусков калибра в компасе
Отзывов от покупателей не поступало
Мы используем куки для улучшения работы сайта. Подробнее