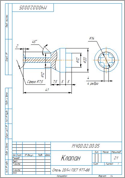
Рабочий чертеж детали клапан МЧ00.02.00.05 из сборки МЧ00.02.00.00 выключатель подачи топлива из сборника по деталированию Боголюбова. Чертеж выполнен в программе Компас 3D
Отзывов от покупателей не поступало
Мы используем куки для улучшения работы сайта. Подробнее